您当前位置:网站首页 > 产品中心产品中心
产品中心

联系我们

上海瑞以森传感器有限公司

SHANGHAI REESENSOR CO.,LTD.

联系人:林先生

手机:13816058330

电话:021-57837899

传真:021-5774-5300

邮箱:res02@shreesensor.com

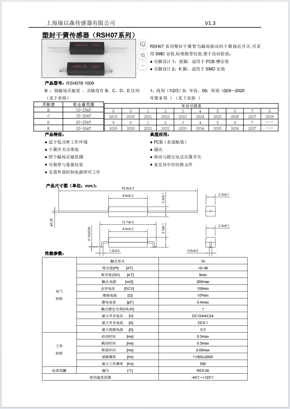
RSH07系列

版权所有 © 2023 上海瑞以森传感器有限公司  技术支持:上海网站建设  备案号:沪ICP备17033243号-1